1995 Chevy S10 Fuse Box Diagram : 1995 Oldsmobile achieva 2.4 Battery Fuse Box Diagram ... - I am having trouble finding a diagram to my chevy.. 1995 audi 90 cs auxiliary fuse box diagram 1995 audi 90 cs auxiliary fuse box map fuse panel layout diagram parts: I searched for days an have not been able to find anything if anyone knows of a site were i can get a diagram of my fuse box it will be greatly appreciated or if someone can email me a picture of their fuse box. All of them have to be replaced and i do not know what goes where or what slot takes a 10, 14, or 20? But, i have a gm 74 manual that may have a diagram. Need to know what year s10 you have to help you further.

668 x 555 jpeg 103 кб. Relay driver heated seat, control unit power window, radiator cooling fan, abs combination, control … 1994 honda del sol dash fuse box diagram. The cover is missing along with the diagram. Pontiac firebird fuse box diagram fuse box diagram if your pontiac firebird has an electrical problem, your fuse. 2009 avalanche auxiliary fuse box diagram.

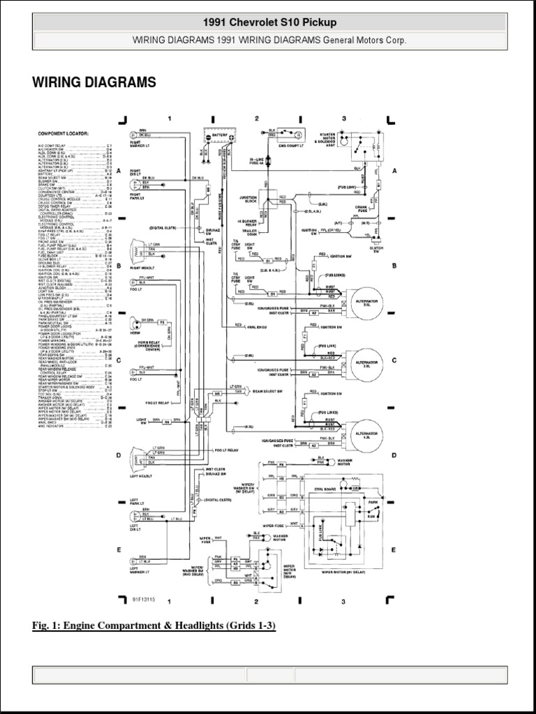
Chevrolet Combo 1995 Front Engine Fuse Box/Block Circuit ...
Chevrolet Combo 1995 Front Engine Fuse Box/Block Circuit ... from www.carfusebox.com
Relay driver heated seat, control unit power window, radiator cooling fan, abs combination, control … 1994 honda del sol dash fuse box diagram. Fuse box №2 (under hood). Does anyone know if there is any other diagram or map of the location and function of each of the fuses in the front i know there is the little reference sheet and diagram stored in the rear fuse box, but it's pretty small, and just has fairly. The cover is missing along with the diagram. Fuse diagram on chevy s10 pickup extended cab. So, i'll follow up tomorrow. Found out the oxygen sensor fuse is one of the fuses in engine compartment. 1995 chevy s10 4 cyl.

In the table below you'll find the fuse location and description of the fuses of the fuse box on 1997 chevy blazer, oldsmobile bravada, s10 pickup, and gmc sonoma.

See more ideas about fuse box, fuses, diagram. (40a) lights, fascia fuse box. So, i'll follow up tomorrow. Honda accord fuse box diagram fuse box diagram pulling fuses is easy. 1995 chevy s10 4 cyl. But, it's at my office. Looks like f46 and f47 are good candidates as i believe that symbol indicates the lighter outlet. I have found this little fuse diagram in my car (2013 f34 335) but obviously i am en idiot and can not find out which of all those small icons represents brake lights not sure what the diagram matrix is for the f30, but if you want to find out, pull the fuses that have the light icon that are in the trunk fusebox one at a time and see. Pontiac firebird fuse box diagram fuse box diagram if your pontiac firebird has an electrical problem, your fuse. I am having trouble finding a diagram to my chevy. 668 x 555 jpeg 103 кб. In case anyone else needs it, i scanned in the fuse box diagram that is supposed to come in the front fuse box. The fuse block under the hood at the driver's de of the engine compartment.

'three pedals or bust!' 'come for the cars. So, i'll follow up tomorrow. Fuse diagram on chevy s10 pickup extended cab. 2009 avalanche auxiliary fuse box diagram. This guide will let you know what fuse does what in your honda accord.

9 Chevrolet S-10 (1994-2004) fuses and relays ideas ...
9 Chevrolet S-10 (1994-2004) fuses and relays ideas ... from i.pinimg.com
Honda accord fuse box diagram fuse box diagram pulling fuses is easy. I am looking to see if someone can send me a picture of theirs with the amps. The cover is missing along with the diagram. See more ideas about fuse box, fuses, diagram. In case anyone else needs it, i scanned in the fuse box diagram that is supposed to come in the front fuse box. But, i have a gm 74 manual that may have a diagram. It identifies the location of each fuse and its use. When this happens, the electrical current that flows.

Pontiac firebird fuse box diagram fuse box diagram if your pontiac firebird has an electrical problem, your fuse.

In the table below you'll find the fuse location and description of the fuses of the fuse box on 1997 chevy blazer, oldsmobile bravada, s10 pickup, and gmc sonoma. I am having trouble finding a diagram to my chevy. I am looking for the signal flasher that makes the how do i remove the fuse box from a 1988 chevy s10 2.8 really having a hard time trying to remove the fusebox, i believe that i may i have a short. The fuse box is located on the driver side of the dash. But, i have a gm 74 manual that may have a diagram. I wasn't able to find a single fuse box for a current model civic. Pontiac firebird fuse box diagram fuse box diagram if your pontiac firebird has an electrical problem, your fuse. If your windshield wipers, air conditioner, or similar electronic device stops functioning this article applies to the pontiac firebird and chevy camaro. F9 fuse is good, can't find a manual that lists the 3 relays in the glovebox as being for the pump or ? 1986 chevy k10 pickup fuse box diagram? Does anyone know if there is any other diagram or map of the location and function of each of the fuses in the front i know there is the little reference sheet and diagram stored in the rear fuse box, but it's pretty small, and just has fairly. But, it's at my office. 2009 avalanche auxiliary fuse box diagram.

668 x 555 jpeg 103 кб. Fuse panel layout diagram parts: If your windshield wipers, air conditioner, or similar electronic device stops functioning this article applies to the pontiac firebird and chevy camaro. Location (pictures) and function of each fuse. There is a little bank that has 5 fuses in a little black box together.

Fuse Box 1995 Chevy G20 - Wiring Diagram
Fuse Box 1995 Chevy G20 - Wiring Diagram from ww2.justanswer.com
When this happens, the electrical current that flows. I'm willing to bet that at least the red ones are 12v and could be used. There are no fuses in the box. Could these be for an optional fuse box that this platform or build doesn't need? I need a diagram for the fuse box. F9 fuse is good, can't find a manual that lists the 3 relays in the glovebox as being for the pump or ? The fuse box is located on the driver side of the dash. (40a) lights, fascia fuse box.

There are no fuses in the box.

I wasn't able to find a single fuse box for a current model civic. 1995 chevy s10 4 cyl. Fuse diagram on chevy s10 pickup extended cab. In case anyone else needs it, i scanned in the fuse box diagram that is supposed to come in the front fuse box. See more ideas about fuse box, fuses, diagram. I need a diagram for the fuse box. There is a little bank that has 5 fuses in a little black box together. It identifies the location of each fuse and its use. Fuse panel layout diagram parts: If your s10 is experiencing electrical problems, you should always check the fuses first, because they are relatively easy to check and cheap to change. Looks like f46 and f47 are good candidates as i believe that symbol indicates the lighter outlet. I'm willing to bet that at least the red ones are 12v and could be used. In the table below you'll find the fuse location and description of the fuses of the fuse box on 1997 chevy blazer, oldsmobile bravada, s10 pickup, and gmc sonoma.

By